Application of diabatic extractive distillation schemes with preliminary separation of azeotropic components for separation of acetone-toluene-n-butanol mixture
https://doi.org/10.32362/2410-6593-2023-18-2-83-97
Abstract
Objectives. The study aims to investigate the effectiveness of the use of various options for organizing the process of diabatic distillation in the separation of a mixture of acetone-toluene-n-butanol by extractive distillation using dimethylformamide as an entrainer in a scheme with preliminary separation of azeotropic components.
Methods. As the main research method, mathematical modeling in the Aspen Plus V. 12 software package was used. As a model for describing vapor-liquid equilibrium, the local composition Non-Random Two Liquid equation model was used. Parametric optimization of diabatic schemes was carried out according to the criterion of reduced energy costs.
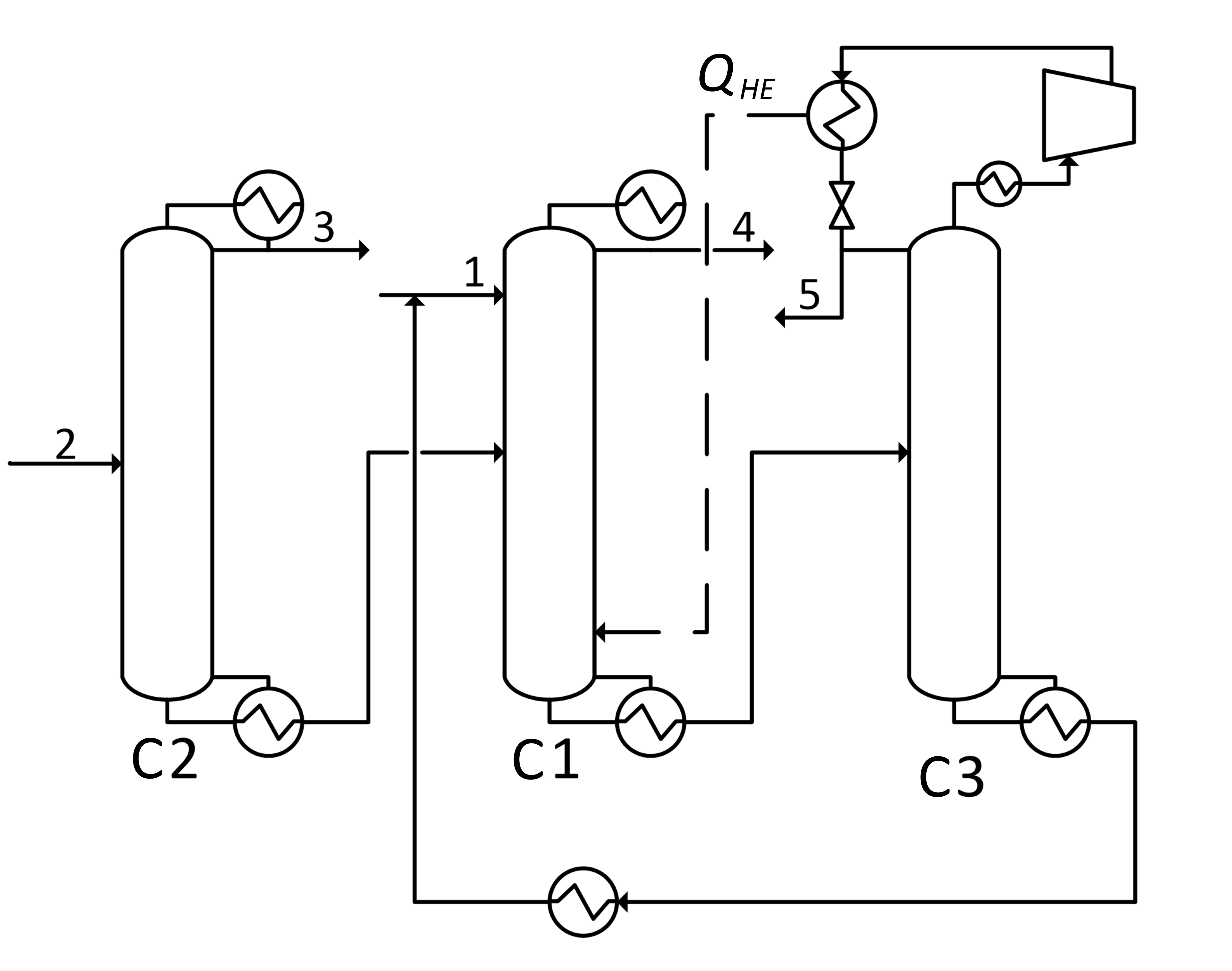
Results. Based on the scheme for extractive distillation of an acetone-toluene-n-butanol mixture with preliminary separation of azeotropic components, five options for organizing diabatic distillation schemes were considered, both with and without use of a compressor to reach a required flows temperature.
Conclusion. It is shown that the use of diabatic schemes in the extractive distillation of a acetone-toluene-n-butanol mixture with dimethylformamide makes it possible to diminish the reduced energy costs by 8.9-43.5%. Meanwhile the maximum reduction in energy consumption is achieved in a scheme where upper vapor flows of two other columns are used to heat the azeotropic components separating column.
About the Authors
P. S. KlauznerRussian Federation
Pavel S. Klauzner - Cand. Sci. (Eng.), Assistant, Department of Chemistry and Technology of Basic Organic Synthesis, M.V. Lomonosov Institute of Fine Chemical Technologies, MIREA - Russian Technological University.
86, Vernadskogo pr., Moscow, 119571
ResearcherID AAJ-7842-2021
Competing Interests:
None
D. G. Rudakov
Russian Federation
Danila G. Rudakov - Cand. Sci. (Eng.), Associate Professor, Department of Chemistry and Technology of Basic Organic Synthesis, M.V. Lomonosov Institute of Fine Chemical Technologies, MIREA - Russian Technological University.
86, Vernadskogo pr., Moscow, 119571
Scopus Author ID 37018548000, ResearcherID M-5241-2014
Competing Interests:
None
E. A. Anokhina
Russian Federation
Elena A. Anokhina - Dr. Sci. (Eng.), Professor, Department of Chemistry and Technology of Basic Organic Synthesis, M.V. Lomonosov Institute of Fine Chemical Technologies, MIREA - Russian Technological University.
86, Vernadskogo pr., Moscow, 119571
Scopus Author ID 6701718055, ResearcherID E-5022-2016
Competing Interests:
None
A. V. Timoshenko
Russian Federation
Andrey V. Timoshenko - Dr. Sci. (Eng.), Professor, Department of Chemistry and Technology of Basic Organic Synthesis, M.V. Lomonosov Institute of Fine Chemical Technologies, MIREA - Russian Technological University.
86, Vernadskogo pr., Moscow, 119571
Scopus Author ID 56576076700, ResearcherID Y-8709-2018
Competing Interests:
None
References
1. Wang C., Guang C., Cui Y., Wang C., Zhang Z. Compared novel thermally coupled extractive distillation sequences for separating multi-azeotropic mixture of acetonitrile/benzene/methanol. Chem. Eng. Res. Des. 2018;136:513-528. https://doi.org/10.1016/j.cherd.2018.06.017
2. Yang A., Sy Y, Chien I.L., Jin S., Yan C., Wei S., Shen W., et al. Investigation of an energy-saving double-thermally coupled extractive distillation for separating ternary system benzene/toluene/cyclohexane. Energy. 2019;186:115756. https://doi.org/10.1016/j.energy.2019.07.086
3. Anokhina E.A., Timoshenko A.V., Akishin A.Y., Remizova A.V. Benzene purification from thiophene using dimethylformamide as an entrainer in thermally coupled extractive distillation columns. Chem. Eng. Res. Des. 2019;146:391-403. https://doi.org/10.1016/j.cherd.2019.04.003
4. You X., Rodriguez-Donis I., Gerbaud V. Improved design and efficiency of the extractive distillation process for acetone-methanol with water. Ind. Eng. Chem. Res. 2015;54(1):491-501. https://doi.org/10.1021/ie503973a
5. You X., Gu J., Peng C., Rodriguez-Donis I., Liu H. Optimal design of extractive distillation for acetic acid dehydration with N-methyl acetamide. Chem. Eng. Process.: Process Intensif. 2017;120:301-316. https://doi.org/10.1016/j.cep.2017.07.025
6. You X., Rodriguez-Donis I., Gerbaud V. Reducing process cost and CO2 emissions for extractive distillation by double-effect heat integration and mechanical heat pump. Appl. Energy. 2016;166:128-140. https://doi.org/10.1016/j.apenergy.2016.01.028
7. Klauzner P.S., Rudakov D.G., Anokhina E.A., Timoshenko A.V. Use of Partially Thermally Coupled Distillation Systems and Heat Pumps for Reducing the Energy Consumption in the Extractive Distillation of an Isobutanol-Isobutyl Acetate Mixture Using Dimethylformamide. Theor. Found. Chem. Eng. 2020;54(3):397-406. https://doi.org/10.1134/S0040579520030070. Original Russian Text: Klauzner P.S., Rudakov D.G., Anokhina E.A., Timoshenko A.V. Use of Partially Thermally Coupled Distillation Systems and Heat Pumps for Reducing the Energy Consumption in the Extractive Distillation of an Isobutanol-Isobutyl Acetate Mixture Using Dimethylformamide. Teoreticheskie osnovy khimicheskoi tekhnologii. 2020;54(3):276-285. https://doi.org/10.31857/S0040357120030070
8. Xu Y., Li J., Ye Q., Li Y. Design and optimization for the separation of tetrahydrofuran/isopropanol/water using heat pump assisted heat-integrated extractive distillation. Sep. Purif. Technol. 2021;277:119498. https://doi.org/10.1016/j.seppur.2021.119498
9. Jana A.K. Performance analysis of a heat integrated column with heat pumping. Sep. Purif. Technol. 2019;209:18-25. https://doi.org/10.1016/j.seppur.2018.07.011
10. Nova-Rincon A., Ramos M.A., Gomez J.M. Simultaneous optimal design and operation of a diabatic extractive distillation column based on exergy analysis. Int. J. Exergy. 2015;17(3):287-312. https://doi.org/10.1504/IJEX.2015.070500
11. Klauzner P.S., Rudakov D.G., Anokhina E.A., Timoshenko A.V. Energy efficiency of diabatic distillation schemes for an acetone-toluene-n-butanol mixture with an entrainer in the first column. Tonk. Khim. Tekhnol. = Fine Chem. Technol. 2023;18(1):7-20 (in Russ.). https://doi.org/10.32362/2410-6593-2023-18-1-7-20
12. Aurangzeb Md., Jana A.K. Vapor recompression with interreboiler in a ternary dividing wall column: Improving energy efficiency and savings, and economic performance. Appl. Therm. Eng. 2018;147:1009-1023. https://doi.org/10.1016/j.applthermaleng.2018.11.008
Supplementary files
|
|
1. Diabatic extractive distillation scheme V | |
| Subject | ||
| Type | Исследовательские инструменты | |
View
(180KB)
|
Indexing metadata ▾ | |
- For one of the possible options for extractive distillation of a mixture of acetone–toluene–n-butanol with dimethylformamide as anentrainer, four options for organizing diabatic distillation schemes were considered, both with and without increasing the temperature of the flows due to compression;
- It is shown that the use of diabatic schemes in the considered cases allows reducing the energy costs by 8.9–43.5%, while the maximum reduction in energy costs is achieved in the scheme with using of vapor distillate streams of two columns and without compressors.
Review
For citations:
Klauzner P.S., Rudakov D.G., Anokhina E.A., Timoshenko A.V. Application of diabatic extractive distillation schemes with preliminary separation of azeotropic components for separation of acetone-toluene-n-butanol mixture. Fine Chemical Technologies. 2023;18(2):83-97. https://doi.org/10.32362/2410-6593-2023-18-2-83-97






















